您好,欢迎访问苏州松立达自动化科技有限公司官方网站!
  • 淘宝
  • 阿里巴巴

189-5245-8196

伺服旋转平台
您当前的位置: 首页 > 伺服旋转平台
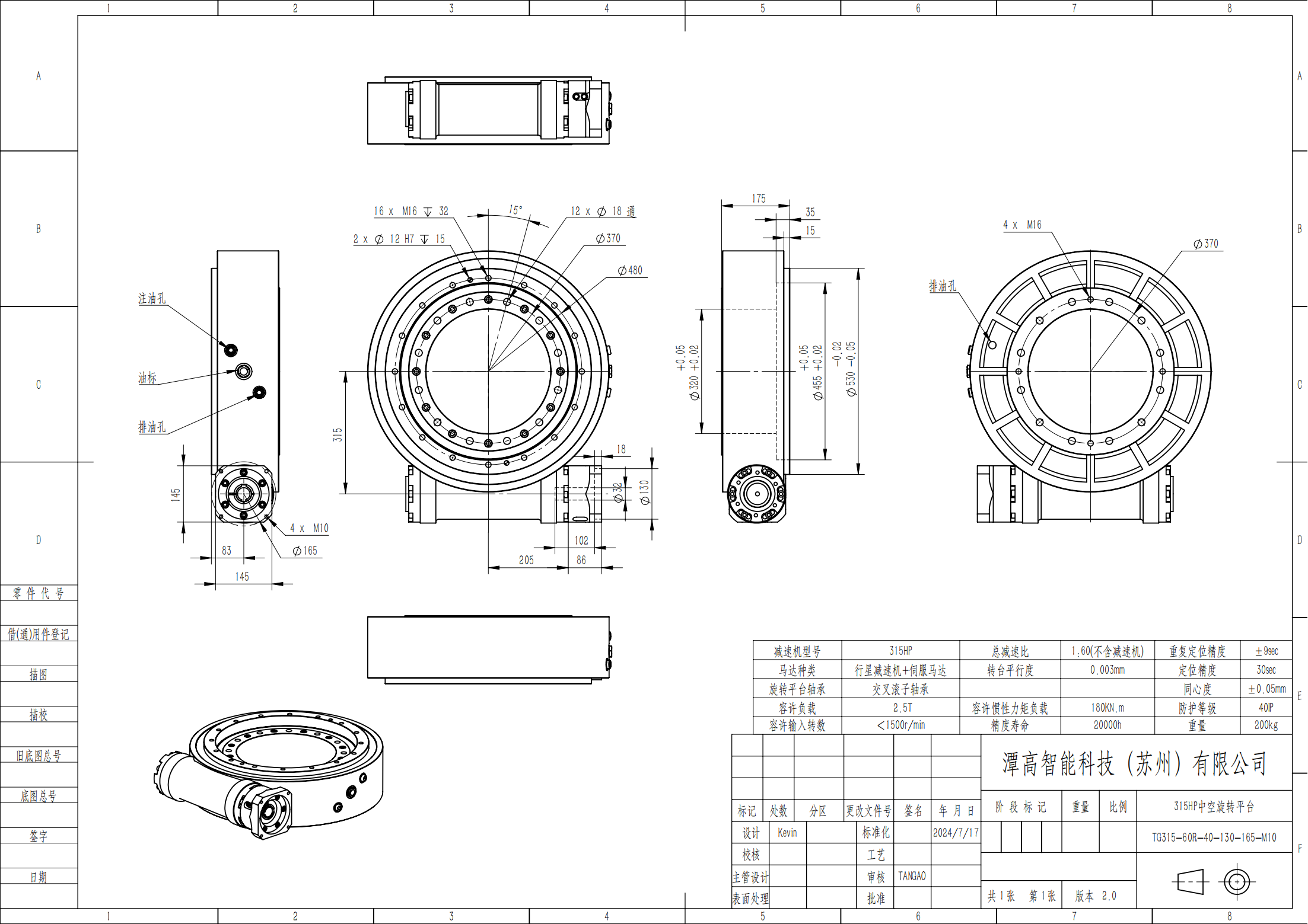
TG315
TG315

TG315

  松立达凸轮式伺服控制转台产品内部采用凸轮滚子传动结构,凸轮与滚针轴承预压无间隙滚动传动,

  无滑动摩擦,持续保持无间隙特性,正逆向运动重复精度高,无需定期校准和调整,且具有高刚性、

  重负载、高效率的特性,产品不会因温升导致精度不良。

在线咨询

服务热线:189-5245-8196

推荐产品

HOT PRODUCT

运动类型

TYPE OF MOTION

  • 升降摇摆、分度型

    升降摇摆、分度型

    当摇摆传动机构运作时,等速度的旋转输入轴使输出轴向前和向后旋转,并是平面下降。输出轴在摆动时可设定在旋转行程的中心点停动,也可以根据设定的旋转角度和升降行程。

  • 间歇停止型

    间歇停止型

    停顿、转位、停顿、转位,转位分度器作间歇性分度回转运动。通常输入轴转一周,输出轴完成一个工位,即1个停顿+1个转位。

  • 左右摇摆型

    左右摇摆型

    由输入轴作连续和一致的回转,而输出轴作往返式摆动运动的驱动装置。当转位驱动器正处于转位或停顿位置时,相对应的摆动驱动器也正好处于摆动或上下的位置,这样可以实现同步,以完成一整套动作,可用于搬运工件。

  • 任意停止型

    任意停止型

    连续驱动器可视为运转最平稳的减速机。特别适用于对转动要求平滑、输出扭距高且不发生任何驱动损失或无效行程的机械装置。连续驱动器可用于要求多相转位、自由转位或确定最终点的驱动装置上。

应用范围

SCOPE OF APPLICATION

  • 焊接机

    焊接机

  • 焊接机

    焊接机

  • 焊接机

    焊接机

  • 胶囊机

    胶囊机

  • 自动攻牙机

    自动攻牙机

  • 自动攻牙机

    自动攻牙机

  • 自动灌装机

    自动灌装机

  • 检测机

    检测机

  • 冲床铆压机

    冲床铆压机

  • 自动包装机

    自动包装机

  • 焊接机

    焊接机

  • 焊接机

    焊接机

  • 焊接机

    焊接机

  • 胶囊机

    胶囊机

  • 自动攻牙机

    自动攻牙机

  • 自动灌装机

    自动灌装机